Санкт-Петербург
Войти
Корзина
0
sale@titan-lock.shop
8 (800) 350-08-28
Возникли вопросы?

Наши специалисты с удовольствием готовы
Вам на них ответить.

Возникли вопросы?
Наши специалисты с удовольствием готовы Вам на них ответить.

Пневмоцилиндр: устройство и принцип работы

Ярослав Гродзевич
Автор:
Эксперт TITAN LOCK
Ярослав Гродзевич
Время на прочтение: 2 мин
Пневмоцилиндр: устройство и принцип работы
Пневматические приводы – распространённые типы механизмов, используемые во многих отраслях для выполнения механической работы. Их устанавливают на производственных линиях, в сложном медицинском оборудовании, коммунальном транспорте. Пневмоцилиндры играют важную роль в различных отраслях промышленности, обеспечивая выполнение различных задач.

Пневмоцилиндр является основой многих пневматических приводов. С его помощью осуществляется преобразование энергии сжатого воздуха в механическое движение. Принцип работы пневмоцилиндра основан на законах пневматики и механики, где подача сжатого воздуха в одну из камер устройства провоцирует перемещение поршня. Последний имеет жесткое крепление со штоком, который и выполняет механическую работу.

В зависимости от требуемых настроек, поршень пневмоцилиндра способен моментально изменить положение штока, подключенного к рабочему механизму. Поэтому они часто используются для управления работой клапанов вентилей, редуцирующих устройств, где нужна быстрая реакция на поддержание заданных технологических параметров.

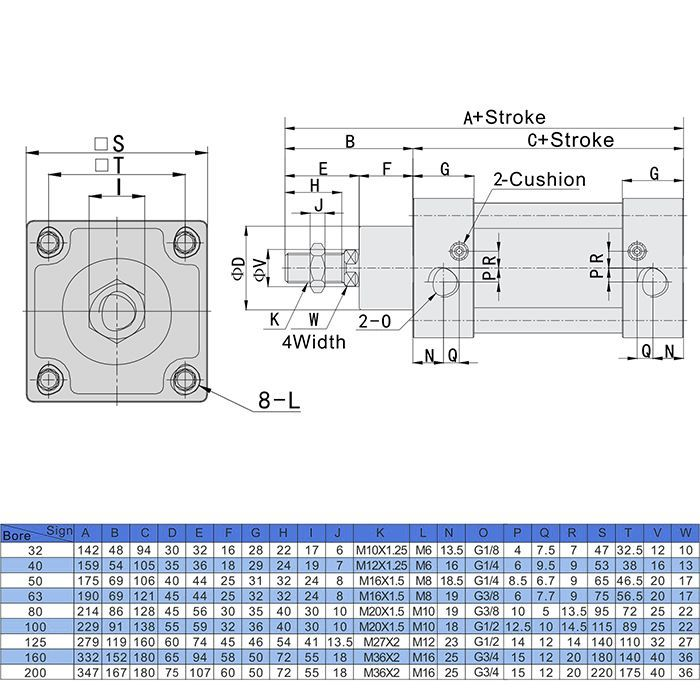
Устройство пневмоцилиндра

К основным компонентам пневмоцилиндра относятся:

  • Корпус пневмоцилиндра имеет цилиндрическую форму, внутри которого движется поршень со штоком.
  • Поршень. Является основным компонентом в преобразовании энергии сжатого воздуха в механическую. Он разделяет цилиндр на две камеры (штоковую и поршневую) и осуществляет изменение положения штока.
  • Шток. Передает кинетическую энергию от поршня к подключенному механизму.
  • Уплотнительные кольца. Обеспечивают герметичность цилиндра, предотвращая утечку воздуха.
  • Крышки цилиндра. Закрывают устройство с обоих концов, и имеют отверстия для подачи воздуха.

Разберем более подробно, из чего состоит пневмоцилиндр, по схеме.

Стоит отметить, что устройства делятся на две категории: односторонние и двухсторонние.

Пневмоцилиндр одностороннего действия

Односторонние отличаются тем, что имеют одно отверстие для подключения воздуха. Соответственно, прямое действие может быть выполнено в одном направлении, как правило, на выдвижение штока. Возврат в изначальное состояние осуществляется с помощью пружины. При этом скорость обратного хода существенно ниже, что обусловлено меньшим усилием пружины.

Пневмоцилиндр двустороннего действия

Конструкция пневмоцилиндра двухстороннего подразумевает наличие двух входов для сжатого воздуха: со стороны поршневой и штоковой камеры. Подобное исполнение обеспечивает высокую точность позиционирования и одинаковую скорость перемещения поршня и штока.

Несмотря на преимущества использования моделей в двухстороннем исполнении, они имеют более сложную схему пневмоцилидра, поэтому непросты в настройке и эксплуатации. Кроме этого, здесь выше расход сжатого воздуха по сравнению с односторонними.

Сферы применения пневмоцилиндров

Благодаря универсальности, простоте эксплуатации и обслуживания, пневмоцилиндры обеспечивают эффективное выполнение задач в различных отраслях производства.

  • Промышленная автоматизация. Выполняют задачи перемещения, подъема и фиксации деталей.
  • Пищевая промышленность. Используются для автоматизации процессов упаковки, розлива и транспортировки продуктов.
  • Машиностроение. Применяются для точного позиционирования, фиксации и перемещения деталей на станках и сборочных линиях.
  • Медицинское оборудование. В стоматологических установках, медицинских манипуляторах и других устройствах.
Пневмоцилиндр.jpg Пневмоцилиндр серии SC TITAN LOCK

Заключение

Понимание принципа работы пневмоцилиндра является неотъемлемой частью работы с пневматическими системами. Оно позволяет повысить безопасность, эффективность и надежность функционирования оборудования, а также сократить время простоя и затраты на обслуживание.

Товары из статьи
Пневмоцилиндр серии SI, 80X200, TLP-PC80X200SI TITAN LOCK Пневмоцилиндр серии SI, 80X200, TLP-PC80X200SI TITAN LOCK Пневмоцилиндр серии SI, 80X200, TLP-PC80X200SI TITAN LOCK Пневмоцилиндр серии SI, 80X200, TLP-PC80X200SI TITAN LOCK Пневмоцилиндр серии SI, 80X200, TLP-PC80X200SI TITAN LOCK Пневмоцилиндр серии SI, 80X200, TLP-PC80X200SI TITAN LOCK

8 903 руб.

Много
Пневмоцилиндр серии SI, 80X200, TLP-PC80X200SI TITAN LOCK

Рабочее давление, бар: 10

Артикул: TLP-PC80X200SI

Много

1

Другие полезные статьи
По типу:
По типу:
Все
Видеообзор
Статья
Видеообзор рукавов ГОСТ 18698-79 | TITAN LOCK
Видеообзор
18 февраля 2026
Видеообзор рукавов ГОСТ 18698-79 | TITAN LOCK
В новом видео рассказываем о рукавах ГОСТ Titan Lock. Данные рукава вы можете приобрести в…
Электроды УОНИ-13/55: обзор, особенности сварки и рекомендации
Статья
5 февраля 2026
Электроды УОНИ-13/55: обзор, особенности сварки и рекомендации
Электроды УОНИ-13/55 — это сварочные электроды с основным покрытием, предназначенные для ручной…
Электроды МР-3: характеристики, аналоги и для каких металлов подходят
Статья
28 января 2026
Электроды МР-3: характеристики, аналоги и для каких металлов подходят
Электроды марки МР-3 — это массовая и хорошо отработанная марка, рассчитанная на широкий круг задач…
Термопластиковые рукава: гибкость, которая меняет правила игры
Статья
21 января 2026
Термопластиковые рукава: гибкость, которая меняет правила игры
Что такое термопластиковые рукава? Термопластиковые рукава — это современный тип гибких шлангов,…
Сравнение РВД с усилением: оплётка и навивка – в чем разница?
Статья
17 декабря 2025
Сравнение РВД с усилением: оплётка и навивка – в чем разница?
Оплётка и навивка – виды армирования, которые определяют рабочие параметры, долговечность и цену…
Шланги для компрессоров: особенности и выбор
Статья
10 декабря 2025
Шланги для компрессоров: особенности и выбор
Шланги или пневматические рукава для компрессоров предназначены для обеспечения передачи энергии с…
Конструкция и особенности компактных и короткоходовых пневмоцилиндров
Статья
19 ноября 2025
Конструкция и особенности компактных и короткоходовых пневмоцилиндров
Компактный и короткоходовый пневмоцилиндры – линейные пневматические исполнительные механизмы.…
Регуляторы давления: типы и принципы работы
Статья
12 ноября 2025
Регуляторы давления: типы и принципы работы
Регулятор давления – регулирующий клапан, предназначенный для нормализации нестабильного давления…
Управление пневмораспределителями. Типы и способы передачи сигнала
Статья
29 октября 2025
Управление пневмораспределителями. Типы и способы передачи сигнала
Пневмораспределитель – ключевой компонент пневматических систем автоматизированных производственных…
Как выбрать блок подготовки воздуха
Статья
22 октября 2025
Как выбрать блок подготовки воздуха
Блок подготовки воздуха (БПВ) – это ключевой модуль, который устанавливается на входе в любую…
Конструкция плоских пневмоцилиндров
Статья
8 октября 2025
Конструкция плоских пневмоцилиндров
Плоский пневматический цилиндр – разновидность исполнительного устройства, уменьшенный корпус…
Материалы шлангов: NBR, EPDM, Viton – в чем разница?
Статья
1 октября 2025
Материалы шлангов: NBR, EPDM, Viton – в чем разница?
NBR, EPDM, Viton – разновидности синтетического каучука, которые широко используются для внутренней…
Покрытие внутреннего слоя рукавов: резина, тефлон, полиуретан
Статья
18 сентября 2025
Покрытие внутреннего слоя рукавов: резина, тефлон, полиуретан
Конструкция рукавов высокого давления разработана таким образом, чтобы эффективно и безопасно…
Композитные шланги vs резиновые: плюсы и минусы
Статья
10 сентября 2025
Композитные шланги vs резиновые: плюсы и минусы
Внешний вид – далеко не единственное отличие между резиновыми и композитными шлангами. Они имеют…
Рукава с армированием: сферы применения и конструкция
Статья
4 сентября 2025
Рукава с армированием: сферы применения и конструкция
Рукава с армированием выступают важным элементом трубопроводных систем, используемых для…
Видеообзор насосов СВН | TITAN LOCK
Видеообзор
27 августа 2025
Видеообзор насосов СВН | TITAN LOCK
В этом видео рассказываем о важном компоненте топливной арматуры — СВН Titan Lock. Товары из…
Видеообзор пневматических трубок и фитингов | TITAN LOCK
Видеообзор
20 августа 2025
Видеообзор пневматических трубок и фитингов | TITAN LOCK
Рассказываем о применении, особенностях и преимуществах пневматических комплектующих Titan…
Видеообзор нержавеющих трубных соединений | TITAN LOCK
Видеообзор
14 августа 2025
Видеообзор нержавеющих трубных соединений | TITAN LOCK
В данном обзоре рассказываем о применении, особенностях и преимуществах нержавеющих трубных…
Видеообзор пищевых рукавов | TITAN LOCK
Видеообзор
7 августа 2025
Видеообзор пищевых рукавов | TITAN LOCK
В видео представлен обзор пищевых рукавов Titan Lock - рассказываем о материалах изготовления и…
Видеообзор молочных муфт | TITAN LOCK
Видеообзор
31 июля 2025
Видеообзор молочных муфт | TITAN LOCK
В видео подробно рассмотрим составляющие части молочной муфты. Расскажем о материалах изготовления…
Рассказать друзьям
Cannot find 'list_vertical' template with page ''Cannot find 'vertical' template with page ''
Не выбрано
г. Санкт-петербург
Митрофаньевское шоссе, д.10