Камлок (camlock) – это носико-рычажное соединение, необходимое для единственной задачи – соединять рукава между собой или рукава с трубопроводной арматурой и для их контакта к резервуарам, системам перекачки жидкостей, плюс разнообразным моделям оборудования промышленного назначения. Данные детали считаются удобными в эксплуатации, поэтому они активно применяются в любых областях промышленности. Выпускаются стандартные камлоки 8 разновидностей, при этом части маркируются латинскими буквами – муфты с рычагами: b, c, d, dc, адаптеры: а, е, f и dp. Если требуется консультация, позвоните или закажите звонок с сайта. Поскольку мы являемся прямыми производителями, то наша цена камлоков доступнее, чем у конкурентов. Менеджер поможет определиться с выбором и оформить заказ на стандартные камлоки любого типа. Обратившись в компанию TITAN LOCK – вы получите товар в кратчайшие сроки!
Ассортимент камлоков
Исходя из конструктивных особенностей, быстроразъёмные соединители камлок подразделяются на нижеследующие типы:
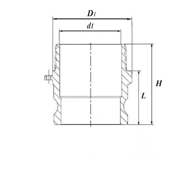
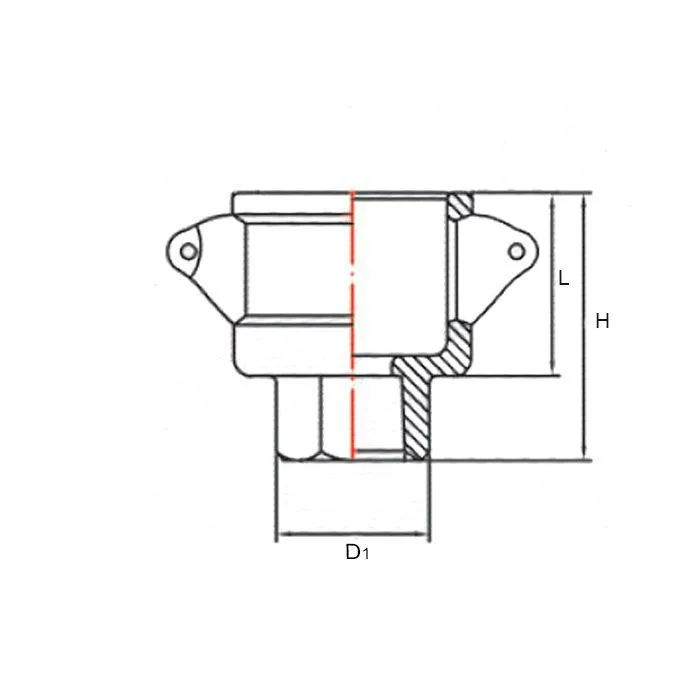
- А (ниппель внутренняя резьба).
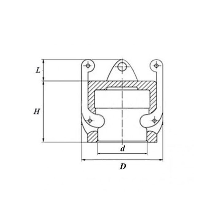
- В (розетка наружная резьба).
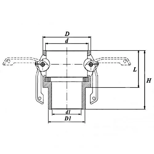
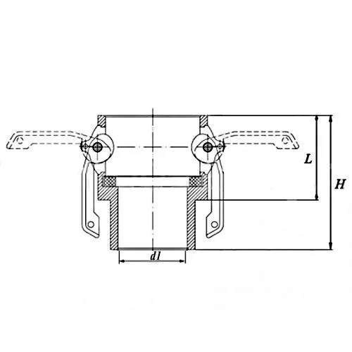
- С (розетка с хвостовиком под шланг).
- D (розетка внутренняя резьба).
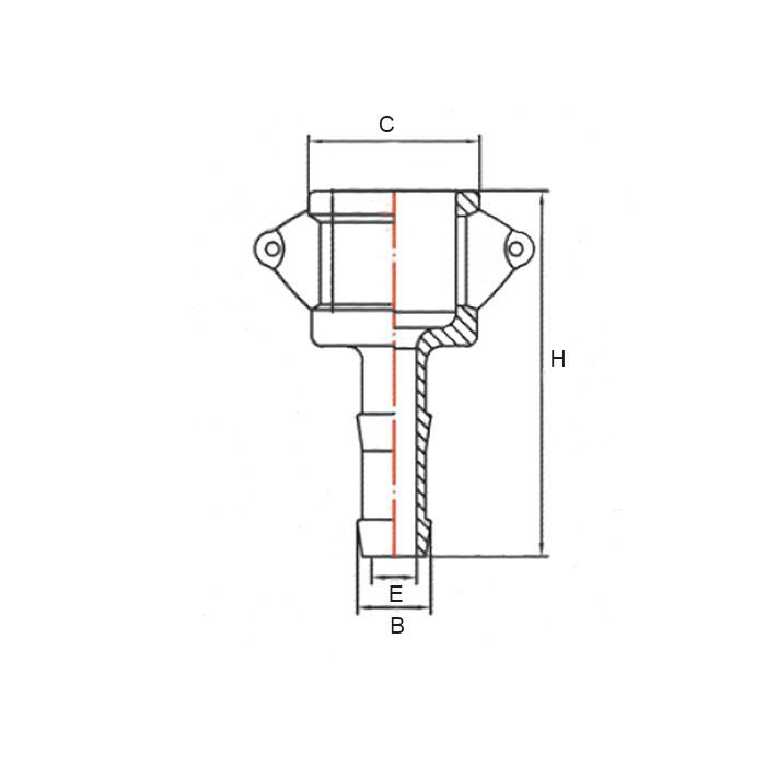
- E (ниппель с хвостовиком под шланг).
- F (ниппель с наружной резьбой).
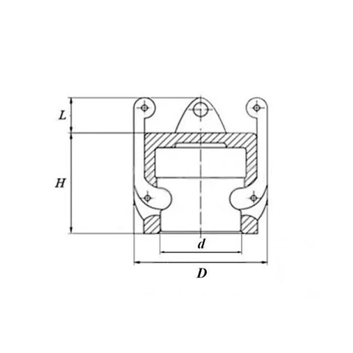
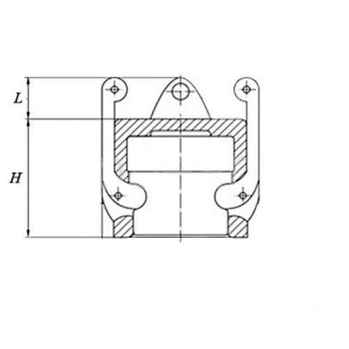
- DP (заглушка-ниппель для розетки).
- DC (заглушка-розетка для ниппеля).
В нашем каталоге есть широкий ассортимент моделей, даны основные характеристики и подробные описания. Если возникли сложности с выбором – мы поможем купить стандартные камлоки не только в Санкт-Петербурге и Ленинградской области, но и в других регионах страны или даже мира.
Области использования камлоков:
- производство алкогольной продукции, в частности, пива;
- перевозка питьевой либо технической воды, ассенизация;
- перевозка химикатов в жидкой форме;
- изготовление и перевозка жидких цементных составов, растворов для строительства;
- изготовление масел растительного и минерального происхождения;
- изготовление ЛКМ;
- для приема топлива и нефтепродуктов;
- использование судовых и автоцистерн;
- сфера переработки нефти и судостроение.
Где выгодно купить камлоки?
Если для вас важна совокупность высокого качества и доступной цены, то наша продукция соответствует этим требованиям. У нас вы найдете варианты из алюминия, латуни, нержавеющей стали (316) или полипропилена с размерами от 0,5 до 8 дюймов. Компания TITAN LOCK – ваш надежный поставщик качественных и недорогих камлоков стандартного типа и не только.