Несмотря на то, что системы стандартов DIN и SMS решают одни и те же задачи, они не взаимозаменяемы, что обусловлено наличием существенных отличий:
• Единицы измерения. Все характеристики трубопроводов и арматуры в соответствии с DIN приведены в метрических значения, а SMS – дюймовых. Использование двух разных стандартов усложняет не только проведение расчетов, но и может вызвать проблемы в совместимости.
• Разница в типоразмерах. SMS стандарты диаметров арматуры начинаются со значения 3/4 дюйма, что соответствует Ду 20 мм. DIN начинается с 3/8 дюйма или Ду 10 мм. При этом максимальное значение у них совпадает: 4 дюйма или Ду 100 мм.
• Толщина стенки металла. Трубы, выполненные по шведскому стандарту SMS, более тонкие, что означает меньшее использование материалов. Это является ключевым их отличием от немецкого DIN. Поэтому строительство трубопроводных систем, стандартизированных по SMS, обойдется дешевле.
• Рабочее давление. Максимально допустимое рабочее давление по стандарту DIN составляет до 40 Бар в зависимости от размера, по стандарту SMS до 16 Бар.
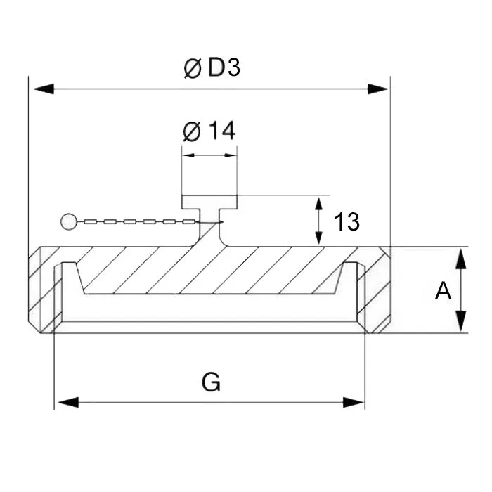
Также важным отличием в стандартах является форма штуцеров (срезанный конус по DIN и плоский патрубок по SMS), а также количество шлицов на гайке (4 по DIN и 6 по SMS).
Несмотря на отличия в размерах, в описании стандартов DIN и шведского аналога упоминаются одинаковые пищевые марки нержавеющей стали, что гарантирует их безопасность при контакте с пищевыми продуктами.
Особенности выбора стандарта
На первый взгляд может показаться, что SMS является лучшим решением для предприятий пищевой промышленности. Особенно это касается рентабельности и окупаемости, ведь стоимость трубопроводов по этому стандарту обойдется существенно дешевле. Однако здесь нужно учитывать, что тонкие стенки провоцирует более жесткие требования к условиям эксплуатации: давлению и температуре транспортируемой среды.
Поэтому выбор стандарта зависит от конкретных целей и задач, которые ставятся перед проектировщиками и инженерами. В некоторых случаях может быть целесообразным использование комбинации разных стандартов, например, DIN для труб и SMS для арматуры, или наоборот. Такой подход требует более тщательного подбора и согласования элементов, но может дать оптимальный результат с точки зрения качества, экономии и безопасности.

